住建部!2024新版《资质标准》人员、业绩、职称、学历要求!
住建部印发资质政策通知。明确强化建筑业企业资质注册人员考核要求。即日起申请施工总承包一级资质、专业承包一级资质的企业,应当满足《建筑业企业资质标准》(建市〔2014〕159号)要求的注册建造师人数等指标要求,具体指标见下方附件。
办理住房城乡建设部资质审批事项所需企业业绩应由申请企业向项目在所在地省级住房城乡建设主管部门提出确认申请,个人业绩应由专业技术人员所在企业向项目所在地市级及以上住房城乡建设主管部门提出确认申请。
自2024年1月1日起,申请资质企业的业绩应当录入全国建筑市场平台。申请由住房城乡建设部负责审批的企业资质,其企业业绩应当是在全国建筑市场监管公共服务平台上满足资质标准要求的A级工程项目,专业技术人员个人业绩应当是在全国建筑市场平台上满足资质标准要求的A级或B级工程项目。
勘察、设计、施工、监理企业在2023年12月29日前已竣工验收的工程项目,企业需对项目信息进行补录的,应抓紧向项目所在地省级住房城乡建设主管部门提出补录申请,补录截止时间为2024年12月31日。
全国资质统一换证通知:企业可在资质证书有效期届满前换领有效期1年的相应专业资质证书。工程勘察设计丙级、丁级资质换领相同专业乙级资质证书,施工总承包、专业承包三级资质换领相同专业二级资质证书,有关工程监理企业资质按通知要求换领相应专业乙级、甲级资质证书。取得有效期1年资质证书后,企业应在该资质证书有效期届满前,按有关资质管理规定和资质标准申请延续。
以上内容可以说得上是新版《资质标准》出台前的重磅文件,也能从中看出未来资质改革的一些动向,同时也对新资质标准出台释放了大量的信号。
本文将根据最新政策对各类施工总承包企业资产、企业业绩、人员要求及资质中职称人员学历、职称相近专业要求解析进行详细汇总,供读者参考!
建筑业资质、工程设计资质、工程勘察资质、工程监理企业资质各专业人员职称、学历、职称相近专业要求对照表
工程设计资质
总则
(一)本标准包括 21 个行业的相应工程设计类型、主要专业技术人员配备及规模划分等内容见附
(二)本标准分为四个序列
1、工程设计综合资质
工程设计综合资质是指涵盖 21 个行业的设计资质。
2、工程设计行业质
工程设计行业资质是指涵盖某个行业资质标准中的全部设计类型的设计资质。
3、工程设计专业资质
工程设计专业资质是指某个行业资质标准中的某一个专业的设计资质。
4、工程设计专项资质工程设计专项资质是指为适应和满足行业发展的需求,对已形成产业的专项技术独立进行设计以及设计、施工一体化而设立的资质。
(三)工程设计综合资质只设甲级。
工程设计行业资质和工程设计专业资质设甲、乙两个级别;根据行业需要,建筑、市政公用、水利、电力(限送变电)、农林和公路行业设立工程设计丙级资质,建筑工程设计专业资质设了级。建筑行业根据需要设立建筑工程设计事务所资质。工程设计专项资质根据需要设置等级。
(四)工程设计范围包括本行业建设工程项目的主体工程和配套工程(含厂/矿区内的自备电站、道路、专用铁路、通信、各种管网管线和配套的建筑物等全部配套工程) 以及与主体工程、配套工程相关的工艺、土木、建筑、环境保护、水土保持、消防、安全、卫生、节能、防雷、抗震、照明工程等建筑工程设计范围包括建设用地规划许可证范圈内的建筑物构筑物设计、室外工程设计、民用建筑修建的地下工程设计及住宅小区、工厂厂前区、工厂生活区、小区规划设计及单体设计等,以及所包含的相关专业的设计内容(总平面布置、竖向设计、各类管网管线设计、景观设计、室内外环境设计及建筑装饰、道路、消防、智能、安保、通信、防雷、人防、供配电、照明、废水治理、空调设施、抗震加固等 )。
(五)本标准主要对企业资历和信誉、技术条件 、技术装备及管理水平进行考核。其中对技术条件中的主要专业技术人员的考核内容为:
1、已经实施注册且需配备注册执业人员的专业,对其专业技术人员的注册执业资格及相应专业进行考核。
2、尚未实施注册、尚未建立注册执业资格制度的和已经实施注册但不需配备注册执业资格人员(以下简称非注册人员)的专业,对其专业技术人员的所学专业、技术职称按附件专业设置中规定的专业进行考核。主导专业的非注册人员需考核相应业绩,并提供业绩证明。各行业主导专业见工程设计主要专业技术人员配备表。
(六)申请二个以上工程设计行业资质时,应同时满足附件2中相应行业的专业设置或注册专业的配置,其相同专业的专业技术人员的数量以其中的高值为准。申请二个以上设计类型的工程设计专业资质时,应同时满足附件 中相应行业的相应设计类型的专业设置或注册专业的配置,其相同专业的专业技术人员的数量以其中的高值为准。
(七)具有工程设计资质的企业,可从事资质证书许可范围内的相应工程总承包、工程项目管理和相关的技术、咨询与管理服务。
(八)具有工程设计综合资质的企业,满足相应的施工总承包(专业承包)一级资质对注册建造师(项目经理)的人员要求后,可以准予与工程设计甲级行业资质(专业资质)相应的施工总承包(专业承包)一级资质。
(九)本标准所称主要专业技术人员,年龄限 60 周岁及以下。
工程设计行业资质划分表
主要专业技术人员指下列人员
(1)注册人员
注册人员是指参加中华人民共和国统一考试或考核认定,取得执业资格证书,并按照规定注册,取得相应注册执业证书的人员。
注册人员专业包括:
注册建筑师;
注册工程师: 结构(房屋结构、塔架、桥梁 )、土木(岩土、水利水电、港口与航道、道路、铁路、民航)、公用设备( 暖通空调、动力、给水排水 )、电气(发输变电、供配电)、机械、化工、电子工程(电子信息、广播电影电视 )、航天航空、农业、冶金、采矿/矿物、核工业、石油/天然气、造船、军工、海洋、环保、材料工程师;
注册造价工程师
(2)非注册人员
非注册人员须具有大专以上学历、中级以上专业技术职称,并从事工程设计实践 10 年以上。
工程设计资质主要专业技术人员专业配备表
煤炭行业工程设计资质
(一)煤炭行业工程设计主要专业技术人员配备表
化工石化医药行业工程设计资质
(二)化工石化医药行业工程设计主要专业技术人员配备表
石油天然气(海洋石油)行业工程设计资质
(三)石油天然气(海洋石油)行业工程设计主要专业技术人员配备表
电力行业工程设计资质
(四)电力行业工程设计主要专业技术人员配备表
冶金行业工程设计资质
冶金行业工程设计主要专业技术人员配备表
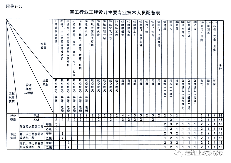
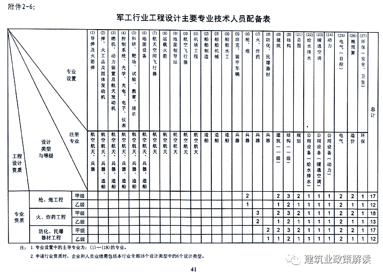
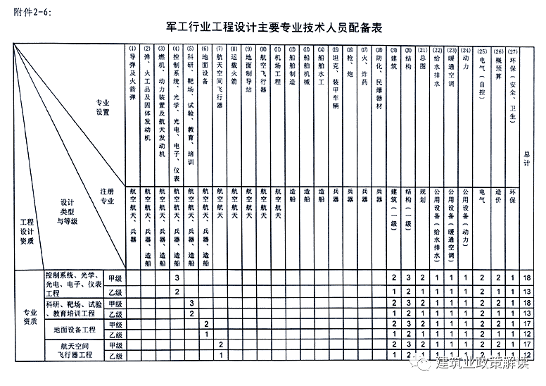
军工行业工程设计资质
(六)军工行业工程设计主要专业技术人员配备表
机械行业工程设计资质
(七)机械行业工程设计主要专业技术人员配备表
商物粮行业工程设计资质
商物粮行业工程设计主要专业技术人员配备表
核工业行业工程设计资质
(九)核工业行业工程设计主要专业技术人员配备表
电子通信广电行业工程设计资质
(十)电子通信广电行业工程设计主要专业技术人员配备表
轻纺行业工程设计资质
(十一)轻纺行业工程设计主要专业技术人员配备表
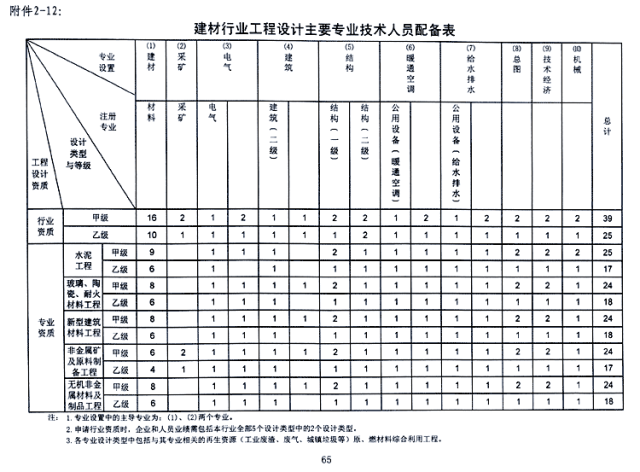
建材轻纺行业工程设计资质
(十二)建材轻纺行业工程设计主要专业技术人员配备表
铁道行业工程设计资质
(十三)铁道行业工程设计主要专业技术人员配备表
公路行业工程设计资质
(十四)公路行业工程设计主要专业技术人员配备表
水运行业工程设计资质
(十五)水运行业工程设计主要专业技术人员配备表
民航行业工程设计资质
(十六)民航行业工程设计主要专业技术人员配备表
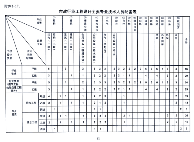
市政行业工程设计资质
(十七)市政行业工程设计主要专业技术人员配备表
农林行业工程设计
(十八)农林行业工程设计主要专业技术人员配备表
水利行业工程设计资质
(十九)水利行业工程设计主要专业技术人员配备表
海洋行业工程设计资质
(二十)海洋行业工程设计主要专业技术人员配备表
建筑行业工程设计资质
(二十一)建筑行业工程设计主要专业技术人员配备表
工程勘察资质
总 则
(一)本标准包括工程勘察相应类型、主要专业技术人员配备(见附件1)。
(二)工程勘察范围包括建设工程项目的岩土工程、水文地质勘察和工程测量。
(三)工程勘察资质分为三个类别:
1、工程勘察综合资质
工程勘察综合资质是指包括全部工程勘察专业资质的工程勘察资质。
2、工程勘察专业资质
工程勘察专业资质包括:岩土工程专业资质、水文地质勘察专业资质和工程测量专业资质;其中,岩土工程专业资质包括:岩土工程勘察、岩土工程设计、岩土工程物探测试检测监测等岩土工程(分项)专业资质。
3、工程勘察劳务资质
工程勘察劳务资质包括:工程钻探和凿井。
(四)工程勘察综合资质只设甲级。岩土工程、岩土工程设计、岩土工程物探测试检测监测专业资质设甲、乙两个级别;岩土工程勘察、水文地质勘察、工程测量专业资质设甲、乙、丙三个级别。工程勘察劳务资质不分等级。
(五)本标准主要对企业资历和信誉、技术条件、技术装备及管理水平进行考核。其中技术条件中的主要专业技术人员的考核内容为:
1、对注册土木工程师(岩土)或一级注册结构工程师的注册执业资格和业绩进行考核。
2、对非注册的专业技术人员(以下简称非注册人员)的所学专业、技术职称,依据附件1专业设置中规定的专业进行考核。主导专业非注册人员需考核相应业绩,工程勘察主导专业见附件1。
(六)申请两个以上工程勘察专业资质时,应同时满足附件1中相应专业的专业设置和注册人员的配置,其相同专业的专业技术人员的数量以其中的高值为准。
(七)具有岩土工程专业资质,即可承担其资质范围内相应的岩土工程治理业务;具有岩土工程专业甲级资质或岩土工程勘察、设计、物探测试检测监测等三类(分项)专业资质中任一项甲级资质,即可承担其资质范围内相应的岩土工程咨询业务。
(八)本标准中所称主要专业技术人员,年龄限60周岁及以下。
工程勘察行业主要专业技术人员配备表
“工程勘察行业主要专业技术人员配备表”中的非注册人员,须具有大专以上学历、中级以上专业技术职称,并从事工程勘察实践8年以上
工程监理企业资质
总 则
工程监理企业资质分为综合资质、专业资质和事务所三个序列。综合资质只设甲级。专业资质原则上分为甲、乙、丙三个级别,事务所不分等级。
(一)综合资质
可以承担所有专业工程类别建设工程项目的工程监理业务,以及建设工程的项目管理、技术咨询等相关服务。
(二)专业甲级资质
可承担相应专业工程类别建设工程项目的工程监理业务(见附表2),以及相应类别建设程的项目管理、技术咨询等相关服务。
(三)专业乙级资质
可承担相应专业工程类别二级(含二级)以下建设工程项目的工程监理业务(见附表2),以及相应类别和级别建设工程的项目管理、技术咨询等相关服务。
(四)专业丙级资质
可承担相应专业工程类别三级建设工程项目的工程监理业务(见附表2),以及相应类别和级别建设工程的项目管理、技术咨询等相关服务。
(五)事务所资质
可承担三级建设工程项目的工程监理业务(见附表2),以及相应类别和级别建设工程项目管理、技术咨询等相关服务。但是,国家规定必须实行强制监理的建设工程监理业务除外。

客服1